业务咨询:18010013889
展会接待:18911291019
安装维护
5.1 安装
ELC200 可采用 35mm 导轨安装或壁挂式安装两种方式。
5.1.1 导轨安装
在 ELC200 上配套有导轨安装片,安装时,仅需要在机柜安装板上固定导轨,之后将
导轨片固定在导轨上。导轨片如下图所示(单位为:mm)。

图 2 导轨片结构
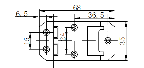
5.1.2 壁挂式安装
在设备上有配有安装螺丝孔,可以通过如下开孔尺寸在机柜安装板上打孔来固定控制器。
安装尺寸如下图所示(单位为:mm)。

图 3 壁挂式固定安装尺寸
5.2 拆卸
步骤 1:如采用导轨安装,在拆卸过程中,需要在垂直方向,用力往下按压设备,使导
轨片脱离导轨,可以将设备从导轨上取下;
步骤 2:如采用法兰安装方式,在拆除 ELC200 底板上的固定螺丝即可。
